Domov / Správy

Správy

Továreň na reťazový dopravník zavádza požiadavky na kontrolu riadenia reťazového systému

Továreň na reťazový dopravník zavádza požiadavky na kontrolu riadenia reťazového systému

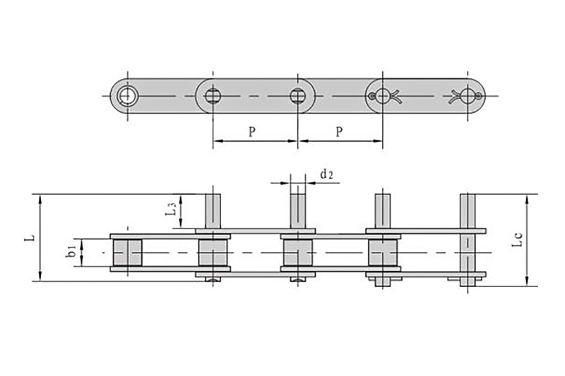
Dopravníkový reťazec Továreň zavádza požiadavky na kontrolu riadenia reťazového systému: 1. Realizovať hromadné výberové kona...

Industrial Sprocket Factory predstavuje riešenia pre praskanie reťaze

Industrial Sprocket Factory predstavuje riešenia pre praskanie reťaze

Priemyselné ozubené koleso Továreň predstavuje riešenie na praskanie reťaze: Reťaz patrí do druhu prevodového reťazca prevodo...

Výrobcovia listových reťazí predstavujú bežné chyby valčekových reťazí

Výrobcovia listových reťazí predstavujú bežné chyby valčekových reťazí

Do Listová reťaz Výrobcovia uvádzajú, aké sú bežné chyby valčekových reťazí? 1. Opotrebenie zubov ozubeného kolesa: Ak je z...

Výrobcovia priemyselných reťazí zavádzajú preventívne opatrenia pri používaní funkčných reťazí

Výrobcovia priemyselných reťazí zavádzajú preventívne opatrenia pri používaní funkčných reťazí

Priemyselný reťazec Výrobcovia zavádzajú preventívne opatrenia pri používaní funkčných reťazí: 1. Teplota vzduchu a mrazenie:...

Výrobca reťazí motocyklov predstavuje techniky mazania reťaze

Výrobca reťazí motocyklov predstavuje techniky mazania reťaze

Dosky z nehrdzavejúcej ocele sú už dlho široko používané v našom každodennom živote, ale mnohí zákazníci sa budú pýtať, do akého prírodného prostre...

Silent Chain Factory predstavuje dôvody opotrebovania ozubeného kolesa

Silent Chain Factory predstavuje dôvody opotrebovania ozubeného kolesa

Tichá reťaz Továreň uvádza dôvody opotrebovania ozubeného kolesa: 1. Čím väčšie je zaťaženie opotrebením lepidla a čím vyšši...

Výrobcovia valčekových reťazí predstavujú metódy čistenia priemyselných reťazí

Výrobcovia valčekových reťazí predstavujú metódy čistenia priemyselných reťazí

Priemyselné reťaze označujú reťaze používané pre stredné a veľké stroje používané v priemyselnej výrobe. Kvôli sile prevádzky a pracovného prost...

Výrobcovia hnacích reťazí zavádzajú preventívne opatrenia pri používaní reťazí

Výrobcovia hnacích reťazí zavádzajú preventívne opatrenia pri používaní reťazí

Reťaze sa používajú na mnohých miestach, ako sú bicykle a automobily. Keďže sa používajú na toľkých miestach, veľmi dôležitá je aj údržba reťaze...

Výrobcovia poľnohospodárskych reťazí predstavujú užitočnosť prevodových reťazí z rôznych materiálov

Výrobcovia poľnohospodárskych reťazí predstavujú užitočnosť prevodových reťazí z rôznych materiálov

Poľnohospodársky reťazec Výrobcovia predstavujú užitočnosť prevodových reťazí z rôznych materiálov: 1. Gumová reťaz: Tento ty...

Výrobcovia prevodových reťazí zavádzajú preventívne opatrenia pri používaní reťazí

Výrobcovia prevodových reťazí zavádzajú preventívne opatrenia pri používaní reťazí

Reťaze sa používajú na mnohých miestach. Každý by mal vedieť, že pokiaľ je vybavenie na šport potrebné, musí existovať, ako napríklad doprava, p...

Výrobcovia dopravných reťazí predstavujú úlohu prevodových reťazí z rôznych materiálov

Výrobcovia dopravných reťazí predstavujú úlohu prevodových reťazí z rôznych materiálov

Dopravníkový reťazec Výrobcovia predstavujú úlohu prevodových reťazí z rôznych materiálov: 1. Gumová reťaz: Tento typ reťaze ...

Výrobcovia priemyselných reťazových kolies zavádzajú preventívne opatrenia pri používaní reťazí

Výrobcovia priemyselných reťazových kolies zavádzajú preventívne opatrenia pri používaní reťazí

Reťaze sa používajú na mnohých miestach, či už ide o priemyselné zariadenia alebo domáce potreby, na týchto miestach môžete vidieť rôzne typy re...