Domov / Správy

Správy

Filozofia dizajnu prevodového reťazca a pracovný postup

Filozofia dizajnu prevodového reťazca a pracovný postup

Prevodový reťazec , ako bežné zariadenie na prenos sily, znižuje treciu silu prostredníctvom „reťazového“ dizajnu hyperbolického oblúka...

Ako valčeková reťaz znižuje tvorbu statickej elektriny

Ako valčeková reťaz znižuje tvorbu statickej elektriny

Valčeková reťaz vyzerá ako reťaz tanku a skladá sa z mnohých článkov jednotky. Spoje sa môžu voľne otáčať. Vnútorná výška, vonkajšia vý...

Stručne vysvetlite, prečo bude valčeková reťaz skorodovaná

Stručne vysvetlite, prečo bude valčeková reťaz skorodovaná

Vzhľadom na pracovné prostredie v Valčeková reťaz , prirodzene dôjde k určitej korózii, takže čo je hlavným dôvodom korózie valčekove...

Výrobca hnacej reťaze uvádza, prečo bude čas prepravy reťaze skreslený

Výrobca hnacej reťaze uvádza, prečo bude čas prepravy reťaze skreslený

Reťazový prenos a preprava môžu mať pomaly chyby. Nie je to síce veľmi veľké, ale pri hromadení času sa vyskytnú nejaké chyby v prenose. Ako vzniká...

Ako efektívne zabrániť poruchám prevodového reťazca

Ako efektívne zabrániť poruchám prevodového reťazca

Vo výrobnom procese Prevodový reťazec , ak reťaz zlyhá, musí výrobca nájsť najvhodnejšie riešenie podľa konkrétnej formy poruchy. Ďal...

Aké sú bežné chyby reťaze dopravníka

Aké sú bežné chyby reťaze dopravníka

Dopravníkový reťazec je široko používaný v priemyselných reťazcoch, ako sú stroje na prepravu potravín, zariadenia na prepravu hnojív,...

Bezpečnostné opatrenia pre údržbu reťaze listov

Bezpečnostné opatrenia pre údržbu reťaze listov

Kedy Listová reťaz je nainštalovaná pri aktivácii reťaze, je potrebné skontrolovať, či reťaz funguje normálne a či je napnutie reťaze...

Ako udržiavať priemyselné reťazové koleso

Ako udržiavať priemyselné reťazové koleso

Pri údržbe Priemyselné ozubené koleso , dávajte pozor na tvar zubov ozubeného kolesa. Tvar zubov ozubeného kolesa musí zabezpečiť, a...

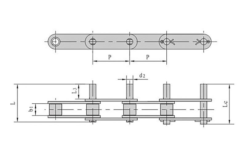
Počet článkov valčekovej reťaze musí byť párny

Počet článkov valčekovej reťaze musí byť párny

Valčeková reťaz dĺžka reťaze je vyjadrená počtom článkov. Počet článkov reťaze je výhodne párny počet, takže keď reťaze tvoria krúžok,...

Priemyselné ozubené koleso je pevné alebo lúčové ozubené koleso

Priemyselné ozubené koleso je pevné alebo lúčové ozubené koleso

Priemyselné ozubené koleso sa vzťahuje na koleso s ozubenými zubami spony, ktoré sa používa na záber s blokom s presným rozstupom na č...

Ako udržiavať priemyselný reťazec, aby sa predĺžila životnosť

Ako udržiavať priemyselný reťazec, aby sa predĺžila životnosť

Priemyselný reťazec sa po dlhodobom používaní stane laxným alebo dokonca odpojeným a ako takýmto problémom predchádzať? Najprv by...

Kroky na výmenu reťaze motocykla

Kroky na výmenu reťaze motocykla

Keď Reťaz motocykla sa má vymeniť, treba si uvedomiť, že reťaz a ozubené koleso sa musia vymeniť spoločne. Nová reťaz urýchli starnut...