Domov / Správy

Správy

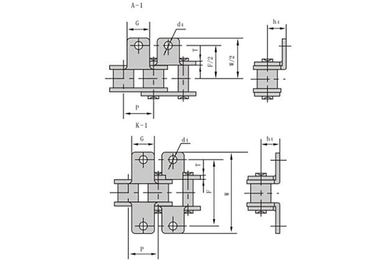
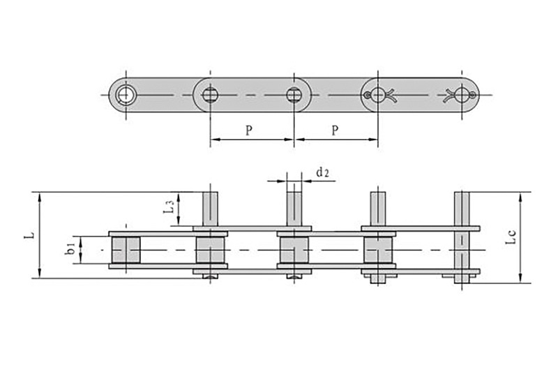
Výrobca dopravných reťazí predstavuje štruktúru mechanickej reťaze

Výrobca dopravných reťazí predstavuje štruktúru mechanickej reťaze

Dopravníkový reťazec Výrobca predstavil, že štruktúrou mechanickej reťaze sú zuby ozubených kolies, drážky zubov, čelné plochy, normáln...

Aké sú spôsoby opotrebovania priemyselného ozubeného kolesa

Aké sú spôsoby opotrebovania priemyselného ozubeného kolesa

Aké sú spôsoby opotrebovania Priemyselné ozubené koleso ? 1. Abrazívne opotrebenie: Je to brúska povrchu zubov spôsobená ma...

4 bežné spôsoby mazania reťaze listov

4 bežné spôsoby mazania reťaze listov

Bez ohľadu na to, ako dlho sa reťaz používa, potrebuje pravidelnú údržbu. Napríklad čistenie a mazanie sú spôsoby, ako predĺžiť životnosť reťaze...

Ako používať priemyselný reťazec rozumne a správne

Ako používať priemyselný reťazec rozumne a správne

Priemyselný reťazec je veľmi rozšírená reťaz, používa sa hlavne v priemyselnom prostredí, na čo si teda treba dať pozor pri používaní toht...

Ako správne vyčistiť a opraviť tichú reťaz

Ako správne vyčistiť a opraviť tichú reťaz

Bežná prevádzka Tichá reťaz spolieha na bežnú údržbu a ochranu reťaze. Na reťaz, ktorú je potrebné vyčistiť, sa odporúča použiť kovov...

Bezpečnostné opatrenia pri inštalácii reťaze motocykla

Bezpečnostné opatrenia pri inštalácii reťaze motocykla

Reťaz motocykla je dôležitou súčasťou motocyklov. Jeho funkciou je prinútiť motocykle riadiť a prevádzkovať motocykle. Potom sa pozrime...

Aké sú aplikačné odvetvia valčekových reťazí

Aké sú aplikačné odvetvia valčekových reťazí

Vďaka svojim špecifickým funkciám, Valčeková reťaz má odlišný spôsob montáže ako ostatné reťaze, čím vytvára jedinečnú odolnosť a ťaž...

Aká je úloha hnacieho reťazca

Aká je úloha hnacieho reťazca

V každodennom živote môžeme často vidieť všetky druhy Hnacia reťaz . Zjednodušene povedané, retiazka je prsteň vyrobený z kovu a poto...

3 spôsoby, ako posúdiť kvalitu valčekovej reťaze

3 spôsoby, ako posúdiť kvalitu valčekovej reťaze

3 spôsoby, ako posúdiť kvalitu Valčeková reťaz : 1. Kvalita reťaze sa dá odlíšiť od vzhľadu Závisí to najmä od deformáci...

Stratégia čistenia hnacej reťaze

Stratégia čistenia hnacej reťaze

Hnacia reťaz stratégia čistenia: 1. Horúcu mydlovú vodu, dezinfekciu na ruky, použite vyradenú zubnú kefku, prípadne trochu tvr...

Opatrenia na používanie poľnohospodárskeho reťazca

Opatrenia na používanie poľnohospodárskeho reťazca

Bezpečnostné opatrenia pri používaní Poľnohospodársky reťazec : 1. Dobrá spoľahlivosť a udržiavateľnosť. Reťaz by mala byť od...

Znalosť údržby prevodového reťazca

Znalosť údržby prevodového reťazca

The Prevodový reťazec je veľmi kritická prevodová štruktúra v mechanických zariadeniach, ktorá ovplyvňuje pracovný výkon a životnosť ...